022 26852243
Javascript DHTML Drop Down Menu Powered by dhtml-menu-builder.com  
  • 2
  • 4
  • 5
  • <
11 22 33
 
 
PRODUCTS
 
 

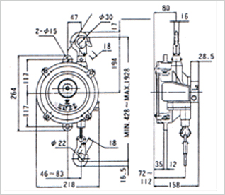
ALUMINIUM DIE CASTING SERIES SP SB 22 - 30

 
 
 
 
 
MODEL NO
CAPACITY
(kgs)
CABLE TRAVEL
(mtrs)
DIAMETER OF CABLE
(mm)
MASS
(kgs)
SPSB-30
22.0-30.0
1.5
4.76
7.6
 
 
MODELS
GENERAL TOOLS USED
AREA OF USE IN SHOP FLOOR
MAKE OF TOOLS NORMALLY USED
SPSB - 22 


IMPACT WRENCHES
SMALL PORTABLE 
SPOT WELDERS, RIVETERS
ANGLE GRIENDERS
BODY SHOP OF CARS
FABRICATION SHOPS 
CHASIS ASSLY OF CARS, TRUCKS, JEEPS
WADCO, IEC, NASH M/C
CHICAGO PNEUMATIC 
RALLIWOLF, BLACK & DECKER, HITACH
 

MODEL NO.
PARTS OF SPRING BALANCER
RAW MATERIAL SPECIFICATION
DETAILED PROCESS OF MANUFACTURE
SPSB-22 

SPRING CASING


WORM & WORM
GEAR

BEARINGS

TOP & BOTTOM HOOKS

SPIRAL SPRING

EDD QUALITY STEEL SHEET


20 MnCr 5 Material

6004 ZZ
Nachi / SKF

EN-8 DROP
FORGED 

EN-42J, IS 4454 GRADE II SPRING STEEL

Outer Cutting, Deep Drawing, Punching,Bending, Piercing & fabrication.

Turning, Gear Hobbing, milling,Hardening Grinding.

Standard Bought Out item.

Heading, Drawing, Bending, Drop Forging, Trimining. Machining, Shot Blasting, Buffing Electro plating.

Sitting, Bending, Colling

 
Aluminium Die Casting Series SP SB 9 - 15   |  Aluminium Die Casting Series SP SB 15 - 22   |
Aluminium Die Casting Series SP SB 22 - 30  |   Aluminium Die Casting Series SP SB 40 - 85  |

Aluminium Die Casting Series SP SB 85 - 100   |   Aluminium Die Casting Series SP SB 100 - 120
 
 
 
 
     
PRODUCTS LINKS  
   
Spring Balancer : Sheet Metal - Aluminium Die Casting - Reachet Type
Hose Reels : Auto Rewind Hose Reel - Air Hose Reel Balancer - Motor Manual Driven Hose Reel - Portable Hose Reel Trolly Electric Cord Reels - Welding Cable Reel - Fuel Gas Reels
Quick Release Couplings : Hydraulic - Pneumatic - Gas Coupling
Work Station : Work Table Solution - Boom Reel
Mobile Oil Kit : Oil Kit Trolly - Waste Oil Drainer - Oil Flow Meter
Pneumatic & Sockets Accessories : PU Tubes - Recoiled Hose - FRL - Push Fittings - Aluminium Manifold - Air Blow Gun - Sockets Accessories
 Air Hose Reel        • Oil Hose Reel 
• Oil Control Guns and Accessories • Pneumatic Oil Pumps
• Static Discharge Grounding Reels
 
 
S. P. AIR CONTROLS

Address : G-07, M.K.Industrial Estate, Sonawala Cross Rd.No.2, Goregaon (E), Mumbai - 400063
Tel : 022 26852243 Mobile No : 9699846501 Fax No : (022) 26852540
Home - Profile - Products - Services - Enquiry - Contact Us Designed & Hosted by : MID Promoted by : GID